100人!内江公开招聘森林消防专职队员!
时间:2021-06-03 17:23:17 来源:内江消防
一、招录计划
经内江市政府常务会议批准,此次森林消防专职队员在全市共计招录男性消防员100名。其中,主城区(市中区、东兴区、经开区、高新区)招录35名(此次招录28名),工作地点为内江市综合应急救援基地(内江市高新区北新入城线东侧)。资中县招录35名,工作地点为资中县古城消防站。隆昌市招录30名,工作地点为隆昌市东区消防站。资中县、隆昌市招录情况以当地招录公告为准。
二、招录条件和范围

(一)具有中华人民共和国国籍;
(二)遵守宪法和法律,拥护中国共产党领导和社会主义制度;
(三)志愿加入消防专职队伍且愿意服从领导;
(四)年龄为18周岁以上、35周岁以下(按照户口本年龄计算),原消防部队、森林消防部队服役满8年的退役士兵(含国家综合性消防救援队伍工作期满退出消防员)、地方大学本科以上文凭根据实际情况,年龄可放宽至38周岁并优先录取;
(五)具有高中(中专)以上文化程度,未拿到毕业证的应届毕业生要出具学校的证明;特别优秀的报考人员,文凭可放宽至初中文凭,比例不超过10%。
(六)身体和心理健康;
(七)具有良好的品行。
三、招录程序

(一) 报名
填报报名表。报考人员可在2021年6月1日至6月20日期间,填写报名表(报名表需自行打印并粘贴1寸免冠照片),附本人身份证复印件,纸质报名表交至内江市消防救援支队(东兴区太白路222号)308室,联系人:艾兴(0832-2039771)。
(二)考核测试
考核测试按照体格检查、心理测试、体能测试、面试、政治考核的顺序进行。
1、体格检查。报名人员符合基本要求后,消防救援支队将短信通知报名人员自行开展体格检查(按照应征公民体格检查标准执行),今年参加过体检的人员无需重复体检,请自行准备好体检表。
2、心理测试。报考人员接到心理测试短信通知后,按照通知要求到达指定地点参加心理测试,心理测试采用消防员招录心理测查系统,由系统自动评判“合格”或“不合格”。
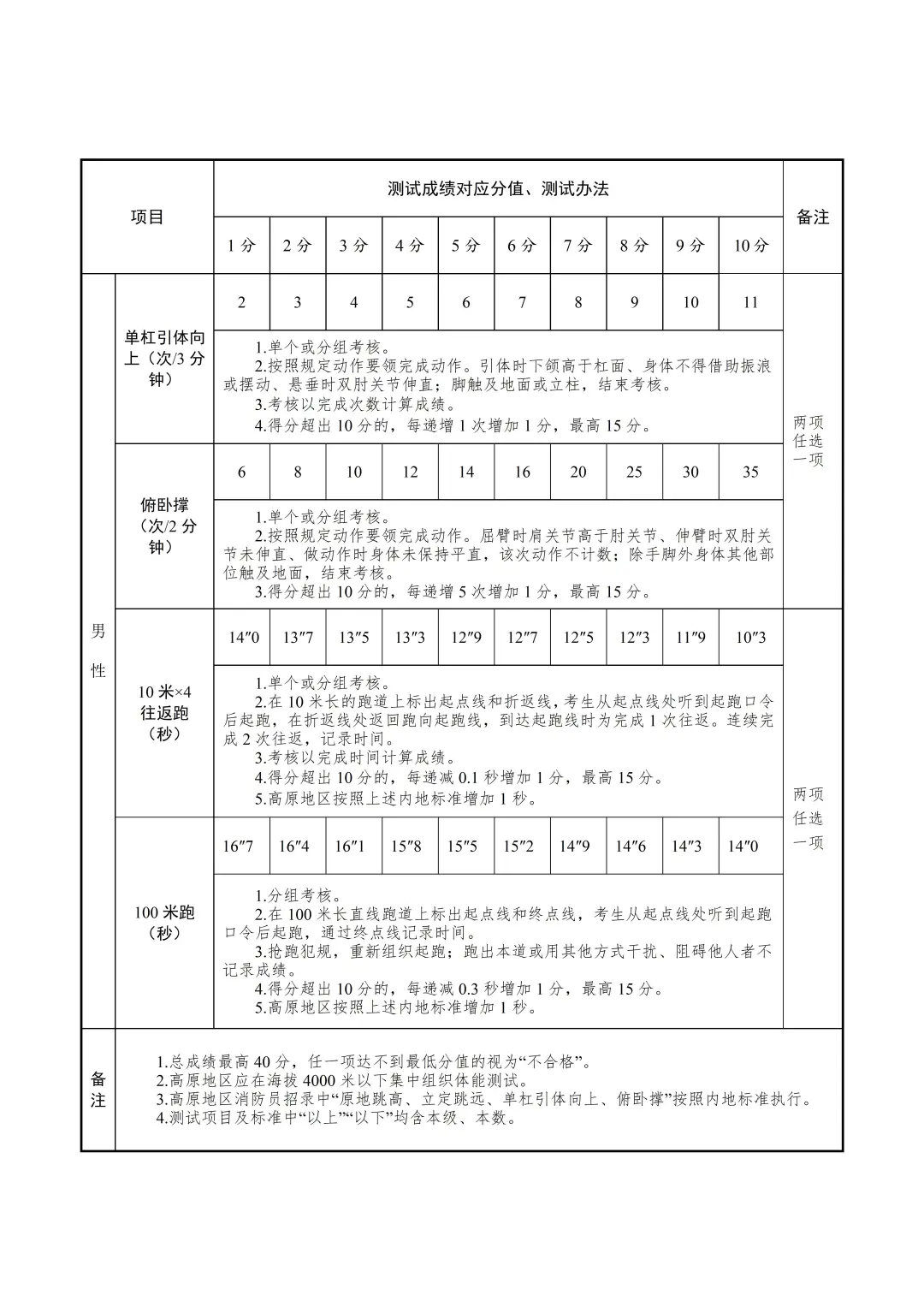
3、体能测试。体能测试采取现场考核的形式开展,具体时间地点以短信通知为准,考核科目请参照体能测试项目及标准(附件2)。
4、面试。面试采取现场考核的形式,具体时间地点以短信通知为准。
5、公示及试用。参加考核并全部通过的人员,内江市消防救援支队将在“内江消防”公众号进行公示,公示期5天,公示完毕后将短信发送试用通知,试用期3个月,通过试用期考核的签订合同,正式录用。
四、工资及待遇

新招录的队员按照岗位,普通队员工资3200,驾驶员工资4100,队长工资4300,加年终奖金,购买五险一金,不少于100万元以外伤亡保险。工作期间包吃住,周均休息两天,每年组织一次体检。工资待遇会随上级政策调整而调整。
附件1:报名表
附件2:体能测试项目及标准

附件1:报名表

附件2:体能测试项目及标准


| 编辑: | 向素玉(实习) |
| 校对: | 毛佳莉 |
| 责编: | 程云 |

